The RS232-TTY Converter allows connection between an equipment or controller with electricity loop output and a computer or controller with RS232 connection.
Using the protocol known as TTY, the 232 -LC module converts RS232 voltage levels in electricity loop 0-20 mA or 0-60mA depending on model.
It also allows full or half-duplex connection, as may be required the transmission to implement.
The 232 -LC is an active module, which must be supplied with 12VDC. Thus the device generates the power supply for the loops, both transmission and reception. You can set the receive channel as liabilities if necessary, for this are accesible a pair of jumpers that the user must properly situate.
The equipment has also 3 LEDs that indicate the proper operation of each of the parts of the unit. The green LED indicates correct power. The yellow LED indicates that reception is present, in the event that this LED is permanently lit indicates error in the connection of the receiving channel. The red LED indicates that transmission is present.
- Active module (default 20mA).
- Distance higher than 6 km.
- DB-25 or DB-9 Connector.
- Transmission velocity higher than 19,2kbps.
- Leds indicators, Tx, Rx and Power.
- Passive and active output selection.
- Easy to configure and install.
- Direct replacement of MIC-24/CL/A.
Passive Module: jumper configure and block diagram

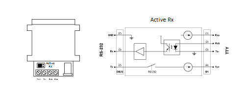
Active Module: jumper configure and block diagram
